ガス窒化

-ゴールダイト-

本社工場

特化技術

パーカーS・N工業のガス窒化加工には、7種の特化技術があります。

ゴールダイト(GOLDITE Nitriding Process)

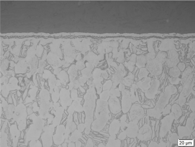
チタン及びチタン合金に対して大気圧プラスαの窒素雰囲気中で窒化処理が行われます。窒化処理後の表面硬さは1000HV以上で、製品外観が黄金色を呈することからゴールダイト処理と呼称しています。窒化層組織は、表面の化合物層[TiN+Ti2N]と拡散層[微細Ti2N+α(β)] からなり、その特性は、耐摩耗、耐熱性、耐食性、耐かじり、耐疲労性に優れ、 生体用インプラントとして研究開発の実施があります。近年では、軽量化の目的からチタン合金を使用した部品への窒化処理が数多くあります。

処理前後の外観色

Ti-6Al-4V 処理前写真
処理前
Ti-6Al-4V 処理後写真
処理後

処理後のミクロ組織

●Ti-6Al-4V 短時間処理条件

Ti-6Al-4V 組織写真
組織写真 ×400
Ti-6Al-4V 硬さ推移曲線
硬さ推移曲線

●Ti-6Al-4V 長時間処理条件

Ti-6Al-4V 20H 組織写真
組織写真 ×400
Ti-6Al-4V 20H 硬さ推移曲線
硬さ推移曲線

適用鋼種

Ti及びTi合金

適用部品事例

二輪・四輪エンジン部品(リテーナー、シャフト 等)

お問い合わせ